在高负载下具有出色的耐用性,
可进行高扭矩传输的行星减速机

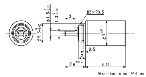
※尺寸表示的是将输出轴顶住马达本体后测量的尺寸
SPG07 一般规格
减速机 SPG07 | ||||
---|---|---|---|---|
1 | 外壳材质 | 金属 | ||
2 | 齿轮系材质 | 钢材 | ||
3 | 最大推荐输入转速 | 12000 | rpm | |
4 | 运行温度范围 | -10...+60 | ℃ | |
5 | 无负载状态下,每阶齿隙 | ≦1 | ° | |
6 | 输出轴处轴承 | 含油烧结套筒轴承 | ||
7 | 输出轴最大径向负载 | 1 | N | |
8 | 输出轴最大轴向负载 | 0.5 | N | |
9 | 输出轴轴向最大静负载 | 10 | N | |
10 | 输出轴径向游隙 | ≦0.03 | mm | |
11 | 输出轴轴向游隙 | ≦0.3 | mm | |
12 | 最大允许扭矩(连续) | 10 | mNm | |
13 | 最大允许扭矩(断续) | 20 | mNm |
※SPG07是直径为7mm的齿轮头
规格基于阶数
减速比 | 4.7 | 22 | 105 | 494 | ||
---|---|---|---|---|---|---|
14 | 减速比 | 4.71:1 | 22.22:1 | 104.77:1 | 493.93:1 | |
15 | 阶数 | 1 | 2 | 3 | 4 | |
16 | 效率 | 85.0 | 72.0 | 61.0 | 52.0 | % |
17 | 旋转方向 | = | = | = | = | |
18 | 减速机长度 | 7.4 | 9.6 | 11.8 | 14.1 | mm |
19 | 重量 | 2 | 2.5 | 3 | 3.5 | g |
可配置马达
马达类型 | 减速马达型号 | 4.7 | 22 | 105 | 494 | ||
---|---|---|---|---|---|---|---|
空心杯有刷马达 | CMS07-17..P | 24.9 | 27.1 | 29.3 | 31.6 | mm | |
空心杯无刷马达 | BMS07-13..P | 20.9 | 23.1 | 25.3 | 27.6 | mm |
例:CMS07-1707 MOTOR + SPG07(4.7) → CMS07-1707P4.7